聯系我們
- 電話:0512-87886603
- 郵箱:109457180@qq.com
- Q Q:109457180
- 地址:昆山市虹橋路318號
內容
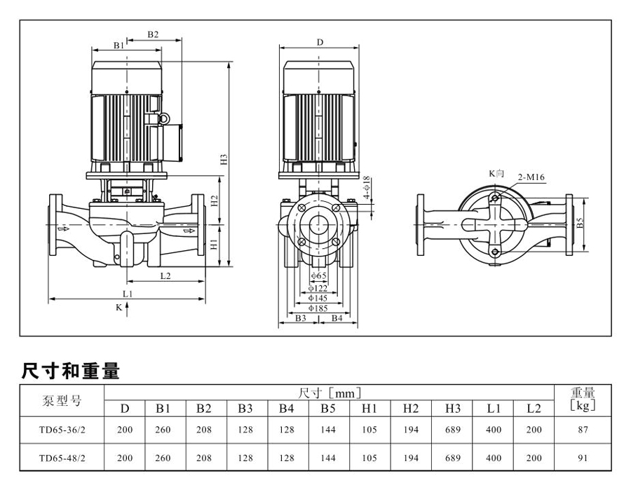
技術參數
流量:5m3/h~ 90m3/h
揚程:10.7~85.4m
功率:2.2kW~ 30kW
液體溫度:-15℃~+105℃
頻率:50Hz/60Hz
材質
葉輪不銹鋼304和葉輪鑄鐵件
產品說明
TD65系列單級管道離心泵,配有標準電 機和機械密封。此類產品的結構與相近類型產品相比,更不易受到泵送液體中雜質的影響。產品設計為頂部可拉出的拆裝形式,其可 以在不影響管路系統的情況下對泵進行維修。所有泵采用創新式便拆式機械密封,更好機械密封無需拆卸電機。
應用領域
產品適宜在清潔、稀薄、非侵蝕、 非易燃易爆,且不含有任何可能對泵造成機械或化學損害的固體顆粒和纖維的液體中使用。





評論
-
管理員剛剛
暫無任何留言!



